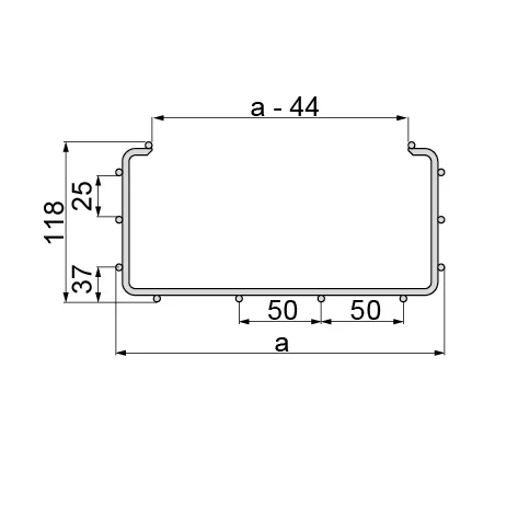
Лоток кабельний з дротяної сітки KCS600H110/3 (910360) Виробник: BAKS Артикул: KCS600H110/3 Ціна за дзвінком Кількість: Замовити Індивідуальний список бажань ОК Додати до списку бажань Додати до списку порівняння Повідомити друга Маршрутизація кабелю. Матеріал G - оцинкований Доступні варіанти оздоблення: F - гарячеоцинкована сталь PN-EN ISO 1461:2023-02 E - нержавіюча сталь L - фарбування у стандартний колір RAL Додаткова інформація – усі дроти в сітчастих лотках мають фаску, що запобігає пошкодженню кабелів Характеристики товару Назва атрибуту Значення атрибуту Системи кабельних трас Типи елементів лоток Висота борта H110 Товщина листа 0.0 мм Властивості матеріалу G - оцинкований, F - гарячеоцинкована сталь, E - нержавіюча сталь, L - фарбування в стандартний колір RAL Монтаж Для важких навантажень Вага 1м [кг] 3.56 kg Кількість у коробці [шт/м] 2 / 6 pcs. / m. Ефективна секція 59,400 Довжина L [мм] 3 000 mm Ширина a [мм] 600
Маршрутизація кабелю. Матеріал G - оцинкований Доступні варіанти оздоблення: F - гарячеоцинкована сталь PN-EN ISO 1461:2023-02 E - нержавіюча сталь L - фарбування у стандартний колір RAL Додаткова інформація – усі дроти в сітчастих лотках мають фаску, що запобігає пошкодженню кабелів