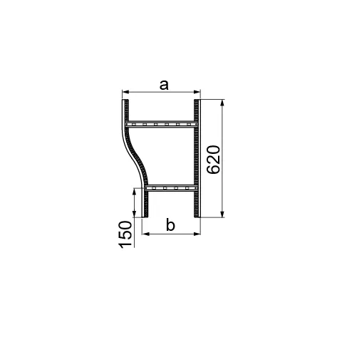
Редуктор лівий RDLP200/100H45N (448220) Виробник: BAKS Артикул: RDLP200/100H45N Ціна за дзвінком Кількість: Замовити Індивідуальний список бажань ОК Додати до списку бажань Додати до списку порівняння Повідомити друга Зменшення/розширення ширини кабельних трас Матеріал S - Сталь, оцинкована методом Сендзіміра PN-EN 10346:2015-09 Доступні варіанти оздоблення: F - гарячеоцинкована сталь PN-EN ISO 1461:2023-02 E - нержавіюча сталь L - фарбування у стандартний колір RAL Додаткова інформація Для складання використовуйте 4 прямі з'єднувачі LDCH... та 16 комплектів гвинтів SGKM8x14 або SGM8x14 У разі спеціальних замовлень вказуйте розміри a та b. Характеристики товару Назва атрибуту Значення атрибуту Характеристики стандартів Вогнестійкість Вогнестійкий E-90 Системи кабельних трас Типи елементів редуктор Висота борта H45 Товщина листа 1.5 мм Властивості матеріалу S - оцинкована сталь за методом Сендзіміра, F - гарячеоцинкована сталь, E - нержавіюча сталь, L - фарбування в стандартний колір RAL Вага 1шт [кг] 1.34 Кількість [шт] 2 Ширина a [мм] 200 Розмір b [мм] 100
Зменшення/розширення ширини кабельних трас Матеріал S - Сталь, оцинкована методом Сендзіміра PN-EN 10346:2015-09 Доступні варіанти оздоблення: F - гарячеоцинкована сталь PN-EN ISO 1461:2023-02 E - нержавіюча сталь L - фарбування у стандартний колір RAL Додаткова інформація Для складання використовуйте 4 прямі з'єднувачі LDCH... та 16 комплектів гвинтів SGKM8x14 або SGM8x14 У разі спеціальних замовлень вказуйте розміри a та b.